AZMOTORS pièces entretien réparation révision accessoires
Microfiches et schema eclatés des Pieces BETA ENDURO RR 480 4T RACE (2026)
Accessoires Du Chassis
Allumage
Amortisseur
Arbre Equilibrage
Bras Oscillant
Carenage Arriere
Carenage Avant
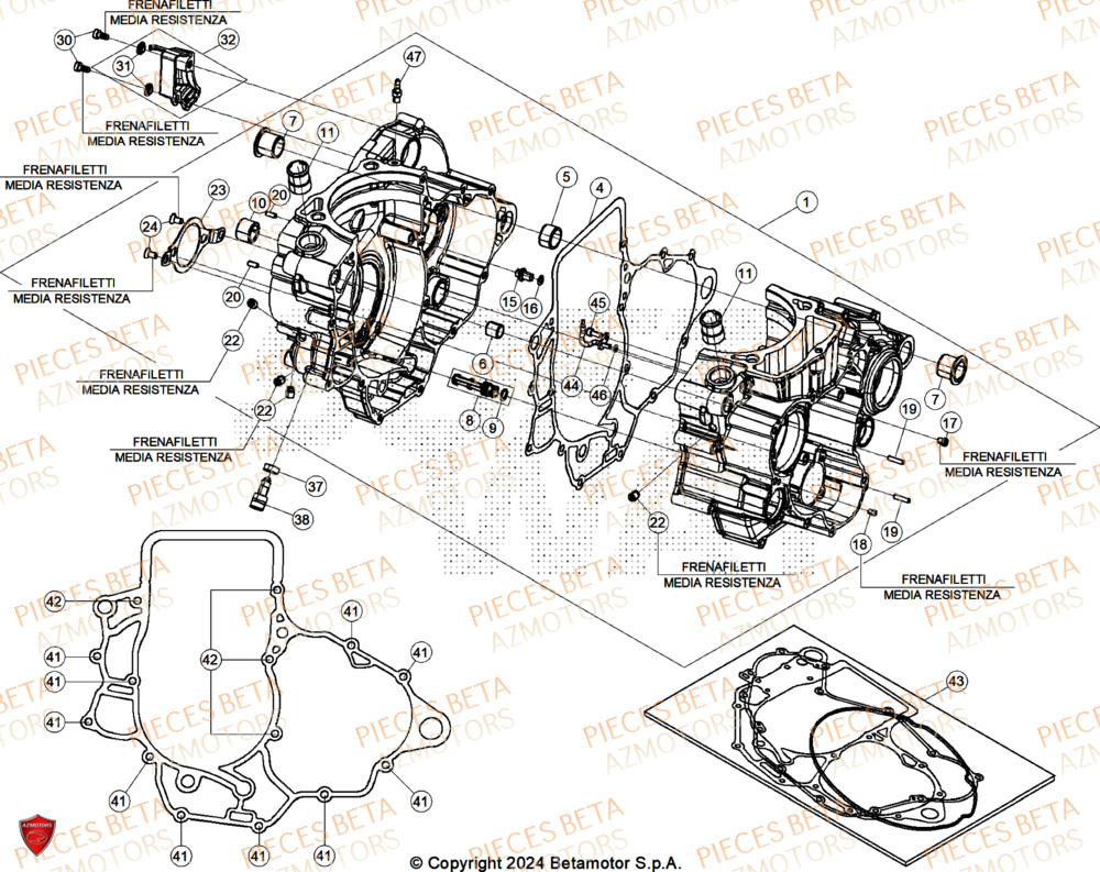
Carter Moteur
Chassis
Couvercle Embrayage
Cylindre
Demarreur
Distribution
Echappement
Embrayage
Equipement Electrique
Filtre A Air
Fourche
Freins
Guidon
Injection
Manuel
Outils
Pompe A Eau
Pompe A Huile
Radiateur
Roue Arriere
Roue Avant
Selecteur De Vitesses
Transmission
Vilebrequin










